
車載逆變器(電源轉換器、Power Inverter)是一種能夠將 DC12V直流電轉換為和市電相同的 AC220V交流電,供一般電器使用,是一種方便的車用電源轉換器。車載電源逆變器在國外市場受到普遍歡迎。在國外因汽車的普及率較高,外出工作或外出旅游即可用逆變器連接蓄電池帶動電器及各種工具工作。
在智能汽車中,核心電池組件是直流電,而當汽車發動時,動力供給系統驅動電機所需要的是三相交流電。因此在汽車上需要有一個設備來完成電流的逆變過程,將動力電池端的直流電轉換成電機輸入側的交流電,車載逆變器就擔當了這樣的重任。

對于疫情當下越來越多長時間在車上的司機而言,有時候想使用一些電器卻局限于車上沒有電源而放棄使用,一下少了許多生活樂趣。其實很多電器完全可以借助車載逆變器來實現,將車載電流24V直流電通過逆變器轉換為220V交流電,就可以像在家里一樣,直接使用電腦、冰箱、電飯煲、微波爐、燒水壺等電器,出行時在車上打火鍋想一想就很開心。
01
正弦波逆變器
正弦波逆變器輸出的是同我們日常使用的電網一樣甚至更好的正弦波交流電,不存在電網中的電磁污染。簡單來說就是運用范圍廣,負載能力強,穩定性出色。能提供與平常家用相同的交流電。在滿足功率的情況下,幾乎能夠帶動任何種類的電器。 但由于制造成本與技術要求均高,導致最純正的正弦波逆變器市場售價偏貴,與大眾消費產生了一定差距,沒有被普及起來。

車載逆變器產品圖
02
修正波逆變器
針對以上缺點,修正波逆變器應勢而生,它的出現解決了方波逆變器負載能力差,以及正弦波逆變器售價昂貴的問題。其輸出波形從正向最大值到負向最大值之間有一個時間間隔,使用效果有所改善。但修正波嚴格上來講,仍屬于方波范疇,各方面與正弦波存在一定差距。
修正波逆變器已經能夠滿足絕大部分電器用電需求。憑借其不錯的負載能力以及較低的售價,已成為目前應用最廣的產品,同時也是現在市場最常見的逆變器。
電感元器件選型推薦
隨著智能汽車行業的快速發展,對電感的工藝要求越來越高。岑科推出的一體成型電感、磁膠電感、磁環電感、PFC電感、變壓器、共模電感等產品,可以完全滿足智能汽車行業的車載逆變器性能要求.

電感產品應用整體方案圖

MCU主芯片
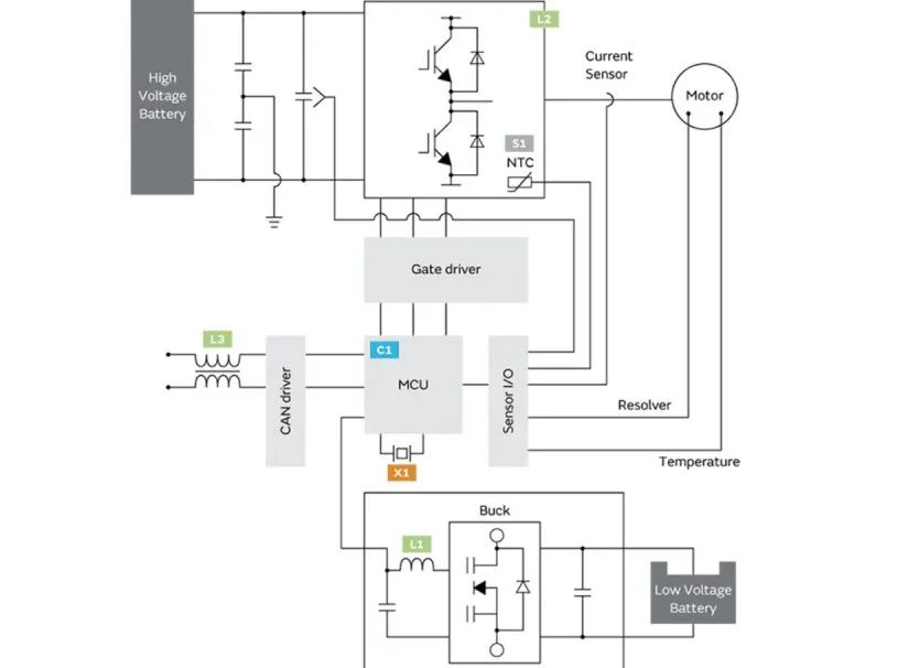
MCU主芯片控制電機,有傳感器輸入輸出,溫度檢測,電流檢測,檢測輸出端與電機工作電流的大小是否合適,通過它來調節變壓器的工作,檢測電機的工作的情況.上下級之間要進行通訊要經過車載的網關,可以理解為車載通訊的大佬-Gate Driver,它決定誰給電機供電,里面有協議,類似于通訊信號的翻譯官,信號之間要靠網關來進行翻譯,MCU對外有一個CAN Driver檢測MCU對外界通訊的接口,圖示L3處所用到共模電感進行濾波,通信信號傳輸需要用到共模電感,貼片電感等.
共模電感
應用模塊:EMC模塊

磁環電感
應用模塊:EMC模塊

電感元器件選型推薦

整流橋電路圖
橋式整流:“橋式整流即橋式整流器(英文 BRIDGE RECTIFIERS),也叫做整流橋堆,是利用二極管的單向導通性進行整流的最常用的電路,常用來將交流電轉變為直流電。”此處這里有變壓器,正常情況下車載都是600v,把600v轉為和市電相同的 AC220V交流電使用.圖示L2處所用到的電感為定制品PFC電感、變壓器等.
PFC電感
應用模塊:PFC模塊

變壓器
應用模塊:電壓轉換模塊

電感元器件選型推薦

開關電源
開關電源給MCU供電,MCU主芯片電壓在3-5V比較低,所以通過開關電源進行降壓供電,電路圖示L1處涉及應用到的電感有一體成型電感、磁膠電感等等.
一體成型電感
應用模塊:電源管理


磁膠電感
應用模塊:電源管理


